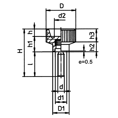
Rändelschraube
aus PF-31, schwarz
mit eingepresstem Gewindestift verzinkt
rostfreie Ausführung auf Anfrage
Nr. | Artikel | D2 | d | D1 | d1 | d2 | H | h | h1 | h2 | h3 | l | Gew. | Stückzahl |
|---|---|---|---|---|---|---|---|---|---|---|---|---|---|---|
10.2701 | 2718- 87-M 4x15-GS | 18 | M 4 | 10 | 7 | 10 | 29 | 4 | 10 | 6 | 8 | 15 | 5 | |
10.2702 | 2718- 114-M 4x20-GS | 18 | M 4 | 10 | 7 | 10 | 34 | 4 | 10 | 6 | 8 | 20 | 6 | |
10.2703 | 2720- 509-M 5x10-GS | 20 | M 5 | 12 | 8 | 10 | 25 | 4 | 11 | 6 | 9 | 10 | 7 | |
10.2704 | 2720- 95-M 5x18-GS | 20 | M 5 | 12 | 8 | 10 | 33 | 4 | 11 | 6 | 9 | 18 | 8 | |
10.2705 | 2720- 115-M 5x25-GS | 20 | M 5 | 12 | 8 | 10 | 40 | 4 | 11 | 6 | 9 | 25 | 9 | |
10.2706 | 2724- 509-M 5x10-GS | 24 | M 5 | 13 | 8 | 10 | 26 | 6 | 10 | 7 | 9 | 10 | 9 | |
10.2707 | 2724- 96-M 6x20-GS | 24 | M 6 | 13 | 10 | 10 | 36 | 6 | 10 | 7 | 9 | 20 | 12 | |
10.2708 | 2724- 106-M 6x28-GS | 24 | M 6 | 13 | 10 | 10 | 44 | 6 | 10 | 7 | 9 | 28 | 13 | |
10.2709 | 2730- 513-M 6x10-GS | 30 | M 6 | 15 | 10 | 12 | 28 | 7 | 11 | 7 | 11 | 10 | 14 | |
10.2710 | 2730- 96-M 6x20-GS | 30 | M 6 | 15 | 10 | 12 | 38 | 7 | 11 | 7 | 11 | 20 | 16 | |
10.2711 | 2730- 106-M 6x28-GS | 30 | M 6 | 15 | 10 | 12 | 46 | 7 | 11 | 7 | 11 | 28 | 17 | |
10.2712 | 2730- 97-M 8x25-GS | 30 | M 8 | 15 | 12 | 12 | 43 | 7 | 11 | 7 | 11 | 25 | 22 | |
10.2713 | 2730- 105-M 8x32-GS | 30 | M 8 | 15 | 12 | 12 | 50 | 7 | 11 | 7 | 11 | 32 | 24 | |
10.2714 | 2735- 512-M 8x12-GS | 35 | M 8 | 18 | 12 | 14 | 32 | 8 | 12 | 8 | 12 | 12 | 22 | |
10.2715 | 2735- 97-M 8x25-GS | 35 | M 8 | 18 | 12 | 14 | 45 | 8 | 12 | 8 | 12 | 25 | 25 | |
10.2716 | 2735- 118-M 10x30-GS | 35 | M 10 | 18 | 14 | 14 | 50 | 8 | 12 | 8 | 12 | 30 | 35 |


